深圳市千万里科技发展有限公司
监测报告
联系方式
深圳市千万里科技发展有限公司
联系人:石先生
电话:0755-84068773
手机:13265606989
Q Q :3058504252 
邮箱:3058504252@qq.com
网址:www.szqwlkj.com
地址:深圳市龙岗区坪地镇金水桥工业区
废水
当前位置:首页 > 监测报告 > 废水
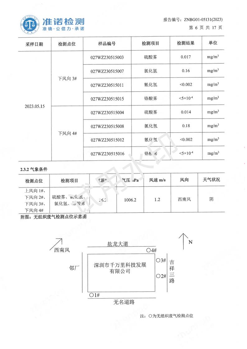
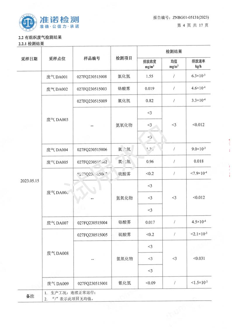
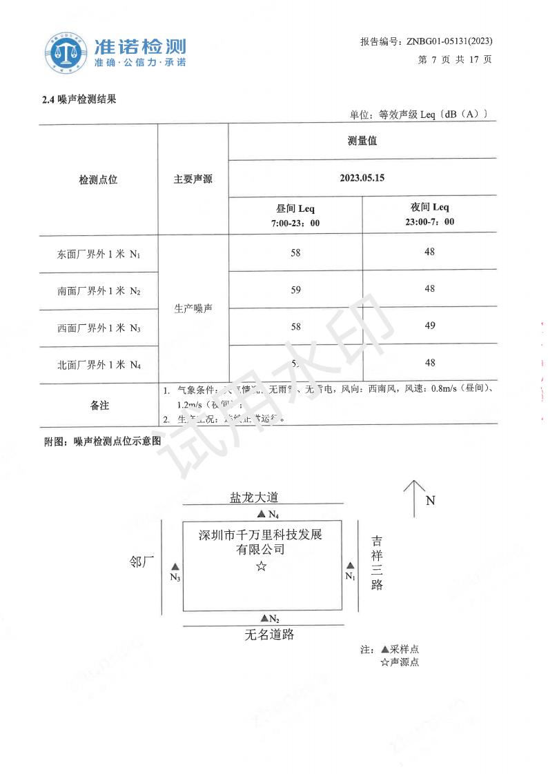
2023.05废水+上半年废气
2023.05废水+上半年废气

















 

Copyright © 深圳市千万里科技发展有限公司

本站部分图文来源网络,如有侵权问题请通知我们处理!